021-57732750
返回

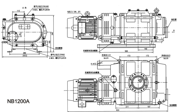
NB1200A

发布时间:2015-5-23

罗茨泵与油旋片真空泵、水环泵组合用,可在压力1.3×103~1.3×10-1Pa范围内提高抽气速率。NB系列罗茨泵是专为洁净度要求较高的场合而设计的。

特长
结净的真空
腔体内没有润滑油,对水蒸气、溶剂等气体也有稳定的排气性能。
能在高吸入压强下运转
选用比标准电机容量大一级的电机,即可实现在高吸入压强下的运转。

用途
照明、电子、光学、半导体
镀膜、溅射、离子镀、液晶注入
真空干燥、冷冻干燥、真空脱气
真空热处理炉、烧结炉、钎焊炉
分析仪器、检漏设备,CO2激光设备

机 型NB100ANB300ANB600ANB1200A
项 目
抽气速率*3
   m3/h(L/min)
50Hz95(1580)280(4670)500(8330)1000(16667)
60Hz115(1920)330(5500)600(10000)1200(20000)
**吸入压力      Pa
(连续运转时)      
50Hz1.3×1031.2×1031.3×103
60Hz1.3×1039.3×1021.1×103
**允许压力差    Pa
(排出压力-吸入压力)   
50Hz8.0×1034.0×1037.3×103
60Hz6.7×1033.3×1036.0×103
极限压力          Pa*14.0×10‐16.7×10‐1
标准粗抽泵GLD-N280
VDN301
VDN401VSN1501
VSN2401
VSN1501
VSN2401
电    机          kW (极) *2 *40.4(2)0.75(2)2.2(2)3.7(2)
V-Hz380/400/415V-50Hz、380/400/440V-60Hz
使 用 油ULVOIL® R-4
所需油量          L0.350.701.501.90
冷却水量          L/min*6空 冷2 *523
进水压力          MPa 0.3 
进出水压差        MPa0.050.1
重    量          kg244977.5110
吸气口径 (JIS B 2290)相当 VG50相当 VG80相当VG80相当VG100
排气口径 (JIS B 2290)相当VF50相当VF80相当VF80相当VF80

*1  用皮拉尼真空计测量的值,如用麦氏真空计测量,则为4.0×10-2Pa(3.0×10-4Torr),而NB1200A则为6.7×10-2Pa(5.0×10-4Torr)。
*2  电源为AC380V、50Hz、三相。
*3  随粗抽泵的性能而变化,表中为标准泵的组合的数据。
*4  NB300A、NB600A、NB1200A可分别选购1.5kW、3.7kW、5.5kW的大容量电机。
*5  对于530Pa(4Torr)以下可用空冷,但530Pa(4Torr)以上进行连续运转必须用水冷。
*6  冷却水温为5~30℃。