首页
关于德义
公司简介
企业荣誉
企业文化
联系我们
产品中心
检漏系统
检漏仪
真空泵
真空计
真空排气台
工装夹具及真空阀门
高效节能真空干燥箱
新闻资讯
行业资讯
公司新闻
常见问题
视频展示
汽车制造
轨道交通
半导体
航空航天
军工制造
资料下载
下载中心
联系我们
关于德义
企业荣誉
企业文化
联系我们
021-57732750
关于德义
产品中心
新闻资讯
视频展示
资料下载
联系我们
返回
关于德义
企业文化
企业荣誉
联系我们
检漏系统
检漏仪
真空泵
真空计
真空排气台
工装夹具及真空阀门
高效节能真空干燥箱
行业资讯
公司新闻
常见问题
汽车制造
轨道交通
半导体
航空航天
军工制造
下载中心
关于德义
企业文化
企业荣誉
联系我们
检漏系统
检漏仪
真空泵
真空计
真空排气台
工装夹具及真空阀门
高效节能真空干燥箱
当前位置:
首页
>
产品中心
>
真空计
首页
>
产品中心
>
真空计
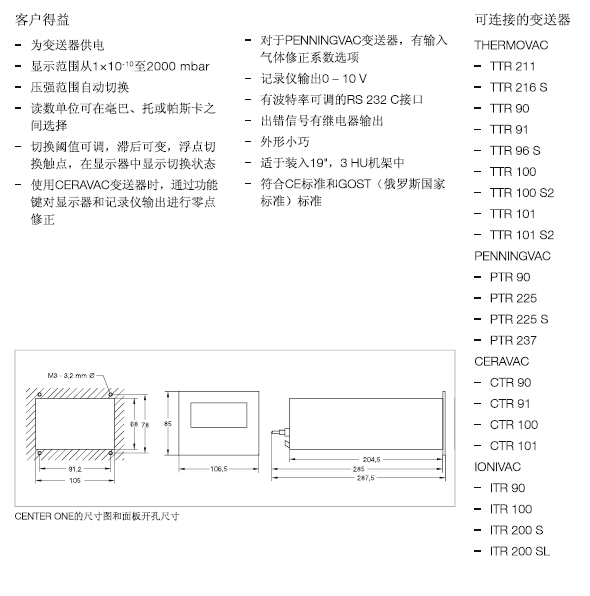
CENTER ONE
发布时间:2015-5-24
CENTER TWO/THREE
DISPLAY TWO/THREE